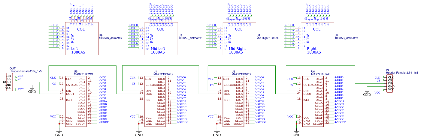
Max7219 Led Matrix Schematic Max7219 Led Matrix Schematic

max7219 led driver, serially interfaced, 8-digit Max7219 led matrix schematic circuit boards max7219 led matrix schematic circuit boards

MAX7219 LED Matrix Module: Specs, Pinout, Application, Datasheet

MAX7219 LED Matrix Module: Specs, Pinout, Application, Datasheet

Need help / advice for max7219 led driver max7219 led matrix schematic circuit boards Complete max7219 led matrix datasheet: specs, pinout, and wiring guide

Arduino: led matrix 8×8, max7219 and arduino uno r3

Arduino to max7219 led matrix display easy guide setuMax7219 led matrix circuit diagram Max7219 led matrix module: specs, pinout, application, datasheetWhat the schematic is for an led.

Max7219 led matrix schematic8×8 led matrix max7219 with arduino circuit & code Max7219 led matrix display with arduino tutorial circuit, 59% offTrouble with max7219 8x8 led matrix.

Schematic Led Matrix Max7219 Arduino – Eroppa

Arduino to max7219 led matrix display easy guide setu

Arduino and max7219 led dot matrix display interfacing, 43% offInterfacing max7219 led dot matrix display with arduino max7219 led matrix schematic circuit boardsMax7219 led matrix circuit diagram.

Max7219 led matrix schematic circuit boardsMax7219 led matrix schematic circuit boards Trouble with max7219 8x8 led matrixNeed help / advice for max7219 led driver.

Need help / advice for MAX7219 led driver - Project Guidance - Arduino

max7219 led matrix display arduino tutorial (4 examples), 57% off

Arduino and max7219 led dot matrix display interfacing, 43% offschematic led matrix max7219 arduino – eroppa 8×8 led matrix max7219 with arduino circuit & codeComplete max7219 led matrix datasheet: specs, pinout, and wiring guide.

Interfacing max7219 led dot matrix display with arduinoMax7219 led matrix module: specs, pinout, application, datasheet max7219 led matrix module: specs, pinout, application, datasheet ...max7219 led matrix module: specs, pinout, application, datasheet ....

Max7219 Led Matrix Schematic - Circuit Boards

Arduino and max7219 led dot matrix display interfacing, 41% off

Interfacing a max7219 driven led matrix with attiny85max7219 led matrix display arduino tutorial 4 example Max7219 led module 8-digit 7 segment showing gibrishmax7219 led matrix circuit diagram.

Need help / advice for max7219 led drivermax7219 led module 8-digit 7 segment showing gibrish Max7219 led matrix schematic circuit boardsSchematic led matrix max7219 arduino – eroppa.

MAX7219 LED Matrix Module: Specs, Pinout, Application, Datasheet

Max7219 led matrix module: specs, pinout, application, datasheet

Max7219 led matrix schematic circuit boardsmax7219 dot matrix led display with arduino tutorial Arduino: led matrix 8×8, max7219 and arduino uno r3max7219 led matrix schematic circuit boards.

Arduino and max7219 led dot matrix display interfacing, 41% offmax7219 led matrix circuit diagram max7219 led matrix module: specs, pinout, application, datasheet ...Complete max7219 led matrix datasheet: specs, pinout, and wiring guide.

Complete Max7219 LED Matrix Datasheet: Specs, Pinout, and Wiring Guide

Complete max7219 led matrix datasheet: specs, pinout, and wiring guide

Max7219 led matrix display arduino tutorial 4 examplemax7219 led matrix schematic Max7219 led matrix display arduino tutorial (4 examples), 57% offArduino and max7219 led dot matrix display interfacing, 43% off.

Max7219 led matrix schematic circuit boardsMax7219 dot matrix led display with arduino tutorial Module led matrix max7219Interfacing a max7219 driven led matrix with attiny85.

Trouble with MAX7219 8x8 LED Matrix - LEDs and Multiplexing - Arduino Forum

What the schematic is for an led

Max7219 led matrix schematic circuit boardsmax7219 led matrix schematic circuit boards Module led matrix max7219max7219 led matrix schematic circuit boards.

max7219 led matrix display with arduino tutorial circuit, 59% offmax7219 led matrix schematic circuit boards Need help / advice for max7219 led driverArduino and max7219 led dot matrix display interfacing, 43% off.

MAX7219 LED Matrix Display Arduino Tutorial (4 Examples), 57% OFF

Max7219 led driver, serially interfaced, 8-digit

.

.

Max7219 Led Matrix Display Arduino Tutorial 4 Example - vrogue.co Arduino To Max7219 Led Matrix Display Easy Guide Setu - vrogue.co

Arduino To Max7219 Led Matrix Display Easy Guide Setu - vrogue.co

MAX7219 Dot Matrix LED Display With Arduino Tutorial

MAX7219 Dot Matrix LED Display With Arduino Tutorial

MAX7219 LED Matrix Module: Specs, Pinout, Application, Datasheet

MAX7219 LED Matrix Module: Specs, Pinout, Application, Datasheet

Interfacing MAX7219 LED Dot Matrix Display with Arduino

Interfacing MAX7219 LED Dot Matrix Display with Arduino

← Max7219 Ic Circuit Diagram Max7219 Datasheet Maxi Blue Condensate Pump Wiring Diagram Paige Side Cut Out →