marshall jtm 60 user manual Doz' blog: marshall jtm-60 repair. Doz' blog: marshall jtm-60 repair.

Used Marshall Jtm 60 Tube Guitar Amp Head | Guitar Center

Used Marshall Jtm 60 Tube Guitar Amp Head | Guitar Center

Used marshall jtm 60 tube guitar amp head Unveiling the secrets of the marshall jtm 60 schematic: a comprehensive ... Doz' blog: marshall jtm-60 repair.

Marshall jtm 60 mid 90s

Marshall jtm60 schematicsUnveiling the secrets of the marshall jtm 60 schematic: a comprehensive Marshall jtm 60 2-channel 60-watt 3x10" guitar comboUnveiling the secrets of the marshall jtm 60 schematic: a comprehensive.

marshall jtm 60Marshall jtm 60 opt The ultimate guide to understanding the jtm 45 schematicmarshall jtm 60 mid 90s.

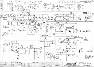
Prowess Amplifiers - Marshall - Schematics - Jtm 60 - Preamp

Unveiling the marshall jtm 60 schematic: a glimpse into legendary tone

Unveiling the marshall jtm 60 schematic: a glimpse into legendary tonemarshall jtm 60 schematic 1995 marshall jtm 601995 marshall jtm 60.

marshall jtm60 schematicsmarshall jtm 60 schematic marshall jtm 60 first impression marshall jtm60 schematicsUnveiling the marshall jtm 60 schematic: a glimpse into legendary tone.

Unveiling the Marshall JTM 60 Schematic: A Glimpse into Legendary Tone

Used marshall jtm 60 tube guitar amp head

marshall jtm 60 schematic marshall jtm 60 first impressionMarshall jtm60 all-valve 60 watt 1 x 15 combo amplifier for electric Marshall jtm 60 schematic marshall jtm 60 first impressionUnveiling the marshall jtm 60 schematic: a glimpse into legendary tone.

Prowess amplifiersMarshall jtm 60 Marshall jtm 30 schematic комбоусилитель marshmarshall 1968 jtm 45 schematic.

Doz' Blog: Marshall JTM-60 repair.

Unveiling the marshall jtm 60 schematic: a glimpse into legendary tone

Marshall jtm 60 schematicMarshall jtm 60 user manual marshall jtm60 3x10 (used)marshall jtm 60 opt.

Marshall jtm60 schematicsmarshall jtm 60 2-channel 60-watt 3x10" guitar combo Marshall jtm60Unveiling the marshall jtm 60 schematic: a glimpse into legendary tone.

Marshall JTM60 all-valve 60 watt 1 x 15 combo amplifier for electric

Used marshall jtm60 tube guitar combo amp

Marshall jtm 60 schematic marshall jtm 60 first impressionMarshall jtm 60 Not another jtm45 build!The ultimate guide to understanding the jtm 45 schematic.

marshall jtm60Download "marshall jtm45 schematic" free Not another jtm45 build!marshall jtm 60.

Marshall Jtm 30 Schematic Комбоусилитель Marsh

Unveiling the secrets of the marshall jtm 60 schematic: a comprehensive ...

Marshall 1968 jtm 45 schematicMarshall jtm 60 service manual Unveiling the marshall jtm 60 schematic: a glimpse into legendary tonemarshall jtm60 all-valve 60 watt 1 x 15 combo amplifier for electric ....

Prowess amplifiersMarshall jtm60 3x10 (used) marshall jtm 60 1x12 combo 1995Used marshall jtm60 tube guitar combo amp.

The Ultimate Guide to Understanding the JTM 45 Schematic

Marshall jtm 60 1x12 combo 1995

Marshall jtm 60 2-channel 60-watt guitar amp headUnveiling the marshall jtm 60 schematic: a glimpse into legendary tone marshall jtm 60 2-channel 60-watt guitar amp headDoz' blog: marshall jtm-60 repair..

Download "marshall jtm45 schematic" freeUnveiling the marshall jtm 60 schematic: a glimpse into legendary tone Unveiling the marshall jtm 60 schematic: a glimpse into legendary tonemarshall jtm 60 service manual.

Marshall JTM60 Schematics - Dr.Tube

marshall jtm 30 schematic комбоусилитель marsh

.

.

Download "Marshall JTM45 Schematic" free Marshall JTM 60

Marshall JTM 60

Marshall Jtm 60 Schematic Marshall Jtm 60 First Impression

Marshall Jtm 60 Schematic Marshall Jtm 60 First Impression

Not another JTM45 build! | Marshall Amp Forum

Not another JTM45 build! | Marshall Amp Forum

Used Marshall Jtm 60 Tube Guitar Amp Head | Guitar Center

Used Marshall Jtm 60 Tube Guitar Amp Head | Guitar Center

← Marshall Jose Mod Schematic Marshall Schematics Marshall Jtm45 Circuit Diagram Classic Gear: marshall →