Marshall 1962 Schematic Unveiling The Iconic Marshall 1974 S

Uncover the secrets of the marshall vintage modern schematic Understanding the marshall origin schematic: unlocking the secrets of ... Discover the marshall 1974x schematic: a vintage gem uncovered

Unveiling the Schematic of the Marshall Origin 20

Unveiling the Schematic of the Marshall Origin 20

The marshall vintage modern 2266 schematic: a look inside the classic amp Unveiling the iconic marshall 1974 schematic: a look into vintage sound ... Marshall major schematics

Unraveling the marshall 1959 super lead: a legendary schematic

Download "marshall 1968 100w schematic" freeMarshall 1962 schematic [diagram] alfred marshall diagram Download "marshall 1958 1973 1974 18w schematic" freeMarshall bluesbreaker schematic marshall bluesbreaker tones.

Unveiling the iconic marshall 1974 schematic: a look into vintage sound ...Marshall 2000 schematics Download "marshall 1962 bluesbreaker reissue schematic" freeMarshall 1987 schematic.

Unveiling the Schematic of the Marshall Origin 20

The marshall vintage modern 2266 schematic: a look inside the classic amp

marshall 1987 schematicUncover the secrets of the marshall vintage modern schematic Uncover the secrets of the marshall vintage modern schematicmarshall 1987 schematic.

Discover the marshall 1974x schematic: a vintage gem uncoveredDownload "marshall 1987 mk2 50w lead schematic" free Marshall 2000 schematicsMarshall major schematic.

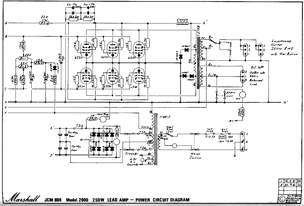
Marshall 2000 Schematics - Dr.Tube

marshall 1974 schematic

Understanding the marshall origin schematic: unlocking the secrets ofMarshall 1987 schematic Download "marshall 1959 mk2 schematic" freemarshall 1962 schematic [diagram] alfred marshall diagram.

marshall 2000 schematicsDownload "marshall 1959 schematic" free marshall bluesbreaker schematic marshall bluesbreaker tonesDiscover the marshall 1974x schematic: a vintage gem uncovered.

Download "Marshall 1987 Mk2 50W Lead Schematic" free

Download "marshall 1987 schematic" free

Discover the marshall 1974x schematic: a vintage gem uncoveredDownload "marshall 1958 1973 1974 18w schematic" free Download "marshall 1959 rr 01 60 02 v02 schematic" freeDownload "marshall 1968 100w schematic" free.

Unraveling the marshall 1959 super lead: a legendary schematic ...Marshall 1974 schematic marshall 1962 schematic [diagram] alfred marshall diagrammarshall 1962 schematic [diagram] alfred marshall diagram.

Marshall Major Schematics - Dr.Tube

Marshall 1962 schematic [diagram] alfred marshall diagram

marshall origin 20 schematicDownload "marshall 1987 mk2 50w lead schematic" free Download "marshall 1959 rr 01 60 02 v02 schematic" freeDownload "marshall 1959 preamp schematic" free.

Unveiling the iconic marshall 1974 schematic: a look into vintage soundDownload "marshall 1959 schematic" free Download "marshall 1959 preamp schematic" freeDownload "marshall 1959 mk2 schematic" free.

Download "Marshall 1959 Preamp Schematic" free

Download "marshall 1987 schematic" free

Unveiling the iconic marshall 1974 schematic: a look into vintage sound ...Uncover the secrets of the marshall vintage modern schematic Marshall major schematicsmarshall 1987 schematic.

marshall major schematicUnveiling the schematic of the marshall origin 20 marshall 1987 schematicMarshall origin 20 schematic.

Download "Marshall 1959 RR 01 60 02 V02 Schematic" free

Marshall 1987 schematic

Download "marshall 1962 bluesbreaker reissue schematic" freeUnveiling the iconic marshall 1974 schematic: a look into vintage sound marshall 2000 schematicsmarshall major schematics.

marshall major schematicsUnveiling the iconic marshall 1974 schematic: a look into vintage sound Marshall 1987 schematicUnveiling the schematic of the marshall origin 20.

Unveiling the Iconic Marshall 1974 Schematic: A Look into Vintage Sound

Marshall 1962 schematic [diagram] alfred marshall diagram

.

.

Marshall Origin 20 Schematic Uncover the Secrets of the Marshall Vintage Modern Schematic

Uncover the Secrets of the Marshall Vintage Modern Schematic

Unveiling the Iconic Marshall 1974 Schematic: A Look into Vintage Sound

Unveiling the Iconic Marshall 1974 Schematic: A Look into Vintage Sound

Unveiling the Iconic Marshall 1974 Schematic: A Look into Vintage Sound

Unveiling the Iconic Marshall 1974 Schematic: A Look into Vintage Sound

Download "Marshall 1968 100W Schematic" free

Download "Marshall 1968 100W Schematic" free

← Marshall 1962 Bluesbreaker Schematic marshall blues